G41J襯膠手動隔閡閥
一、G41J襯膠手動隔閡閥 特色
隔閡閥是一種特別形工的具備截斷功效的閥門,其啟閉件由鋼質瓣與軟質資料(橡膠和氟塑料復合)制的隔閡構成并將閥體內腔與閥蓋內腔離隔以到達截斷管內介質之目標GB 1239, BS 5156標準。
驅動體例:手動、氣動(常開或常閉)、電動。
法蘭毗連隔閡閥設想與制作合適中國國度標準
根基布局情勢:堰式,直流式
公稱壓力PN0.6~1.0(Mpa)
公稱(cheng)能徑DN15-400(mm)
| 手動 |
G41J(堰式) |
手動 |
G641J(來去式) |
| G41F5(堰式) |
G641F5(來去式) |
| G45J(直流式) |
G6B41F(常閉式) |
| G45F5(直流式) |
G6B41F5(常閉式) |
| 電動 |
G9B41J(防爆式) |
電動 |
G941J(通俗型) |
| G9B41F5(防爆式) |
G941F5(通俗型) |
| 遵守標準 |
STANDARD |
| 設想與制作 |
GB12239 |
| 布局長度 |
GB1221/JB1688 |
| 法蘭尺寸 |
JB78/JB79(GB HG SH) |
| 壓力實驗 |
GB/T13927 |
| 標簽 |
GB12220 |
| 供貨 |
GB/T12252 |
 |
 |
G41J襯膠手動隔閡閥 |
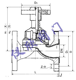
G41J襯膠手動隔閡閥尺寸圖 |
二、G41J襯膠手動隔閡閥 首要零部件資料
| 序號 |
整機稱號 |
灰鑄鐵 |
鑄鋼 |
不銹鋼 |
超低碳鋼 |
| Z |
C |
P |
R |
PL |
RL |
| 1 |
閥體、閥蓋、閥瓣 |
HT250 |
WCB |
CF8 |
CF8M |
CF3 |
CF3M |
| 2 |
閥桿 |
35 |
1Cr13 |
1Cr18Ni19Ti |
1Cr18Ni12Mo2Ti |
00Cr18Ni10 |
00Cr17Ni14Mo2 |
| 3 |
襯里層 |
FEP(F46) PFA PCTFE(F3) |
| 4 |
隔閡 |
FEP(F46)/CR(氟丁橡膠) PFA(可溶性聚四氟乙烯)/FPDM(乙丙橡膠) |
| 5 |
閥桿螺母 |
ZCuAL10Fe3 ZCuAL10Fe3 |
| 6 |
螺栓 |
35 |
35 |
1Cr17Ni2 |
1Cr17Ni2 |
1Cr17Ni9Ti |
1Cr17Ni9Ti |
| 7 |
螺母 |
45 |
45 |
0Cr18Ni9 |
0Cr18Ni9 |
0Cr18Ni9 |
0Cr18Ni9 |
| 8 |
手輪 |
HT200 |
HT200 |
WCC |
WCC |
WCC |
WCC |
三、G41J襯膠手動隔閡閥 形毗連尺寸及分量
| 型號 |
公稱通徑DN(mm) |
尺寸(㎜) |
| L |
D |
D1 |
D0 |
Z-φd |
H |
H1 |
H2 |
H3 |
分量
(㎏) |
| G41WJFS-6\\10 |
15 |
125 |
95 |
65 |
120 |
4-φ14 |
- |
- |
- |
- |
3.8 |
| 20 |
135 |
105 |
75 |
120 |
4-φ14 |
- |
- |
- |
- |
4.2 |
| 25 |
145 |
115 |
85 |
120 |
4-φ14 |
121 |
135 |
- |
- |
4.5 |
| 32 |
160 |
1135 |
100 |
120 |
4-φ18 |
132 |
150 |
- |
- |
7 |
| 40 |
180 |
145 |
110 |
140 |
4-φ18 |
156 |
176 |
- |
- |
9 |
| 50 |
210 |
160 |
125 |
140 |
4-φ18 |
169 |
195 |
- |
- |
12 |
| 65 |
250 |
180 |
145 |
200 |
4-φ18 |
202 |
236 |
- |
- |
18 |
| 80 |
300 |
195 |
160 |
200 |
4-φ18 |
216 |
256 |
- |
- |
24.5 |
| 100 |
350 |
215 |
180 |
280 |
8-φ18 |
270 |
322 |
- |
- |
38.5 |
| 125 |
400 |
245 |
210 |
320 |
8-φ18 |
338 |
406 |
- |
- |
60 |
| 150 |
460 |
280 |
240 |
320 |
8-φ23 |
384 |
464 |
- |
- |
82 |
| G41WJFS-4 |
200 |
570 |
335 |
295 |
400 |
8-φ23 |
518 |
638 |
- |
- |
149 |
| 250 |
680 |
390 |
350 |
500 |
12-φ23 |
598 |
734 |
- |
- |
240 |
| 300 |
790 |
440 |
400 |
560 |
12-φ23 |
698 |
778 |
- |
- |
350 |
| 350 |
900 |
500 |
460 |
560 |
16-φ23 |
723 |
883 |
- |
- |
392 |
| 400 |
1000 |
565 |
515 |
640 |
16-φ25 |
868 |
1078 |
- |
- |
585 |
| G45WJFS-6 |
32 |
180 |
135 |
100 |
120 |
4-φ18 |
- |
- |
- |
- |
7 |
| 40 |
180 |
145 |
110 |
140 |
4-φ18 |
- |
- |
203 |
216 |
8.5 |
| 50 |
210 |
160 |
125 |
140 |
4-φ18 |
- |
- |
213 |
229 |
14 |
| 65 |
250 |
180 |
145 |
200 |
4-φ18 |
- |
- |
248 |
268 |
18 |
| 80 |
300 |
195 |
160 |
200 |
4-φ18 |
- |
- |
281 |
305 |
30 |
| 100 |
350 |
215 |
180 |
280 |
8-φ18 |
- |
- |
332 |
362 |
43 |
| 125 |
400 |
245 |
210 |
320 |
8-φ18 |
- |
- |
- |
- |
67 |
| 150 |
460 |
280 |
240 |
320 |
8-φ23 |
- |
- |
450 |
496 |
80 |
| 200 |
570 |
335 |
295 |
400 |
8-φ23 |
- |
- |
594 |
654 |
150.2 |
| 250 |
680 |
390 |
350 |
500 |
12-φ23 |
- |
- |
695 |
771 |
238 |